Насочване на фаровете и предните фарове за мъгла (за Европа)
Насочване на фаровете


-
Напомпайте гумите до определеното налягане и отстранете всички товари от автомобила, с изключение на водача, резервната гума и инструментите.
-
Автомобилът трябва да бъде на гладка повърхност.
-
Начертайте вертикални линии (вертикални линии, преминаващи през съответните центрове на фаровете) и хоризонтална линия (хоризонтална линия, преминаваща през центъра на фаровете) на екрана.
-
С фара и батерията в нормално състояние насочете фаровете, така че най-ярката част да пада върху хоризонталните и вертикалните линии.
-
За да насочите късите и дългите светлини наляво или надясно, въртете отвертката (1) по посока на часовниковата стрелка или обратно на часовниковата стрелка. За да насочите късите и дългите светлини нагоре или надолу, въртете отвертката (2) по посока на часовниковата стрелка или обратно на часовниковата стрелка.
Насочване на предните фарове за мъгла

Предният фар за мъгла може да бъде насочен по същия начин, по който се насочват фаровете.
С предните фарове за мъгла и батерията в нормално състояние насочете предните фарове за мъгла.
За да насочите фаровете за мъгла нагоре или надолу, завъртете водача по посока на часовниковата стрелка или обратно на часовниковата стрелка.
Точка за насочване

* А : Екран
Мерна единица: mm (in.)
|
Състояние на автомобила |
Фар (Халоген) |
Фарове (светодиодни) |
||||||
|---|---|---|---|---|---|---|---|---|
|
Приземна височина |
Разстояние между светлините |
Приземна височина |
Разстояние между светлините |
|||||
|
Къси светлини |
Дълги светлини |
Къси светлини |
Дълги светлини |
Къси светлини |
Дълги светлини |
Къси светлини |
Дълги светлини |
|
|
H1 |
H2 |
W1 |
W2 |
H1' |
H2' |
W1' |
W2' |
|
|
Без водач |
841 (33,1) |
841 (33,1) |
1411 (55,6) |
1411 (55,6) |
851 (33,5) |
851 (33,5) |
1384 (54,5) |
1384 (54,5) |
|
С водач |
836 (32,9) |
836 (32,9) |
1411 (55,6) |
1411 (55,6) |
846 (33,3) |
846 (33,3) |
1384 (54,5) |
1384 (54,5) |
|
Състояние на автомобила |
Преден фар за мъгла (тип крушка) |
|
|---|---|---|
|
Приземна височина |
Разстояние между светлините |
|
|
H3 |
W3 |
|
|
Без водач |
569 (22,4) |
1548 (61,0) |
|
С водач |
564 (22,2) |
1548 (61,0) |

A: Вертикална линия на центъра на крушката на левия фар (къса светлина)
B: Вертикална линия на центъра на крушката на десния фар (къса светлина)
C: Хоризонтална линия на центъра на крушката на фара (къса светлина)
D: Линия на прекъсване
E: Ос на автомобила
F: Земя
-
Включете късите светлини, без водачът да е в автомобила.
-
Линията на прекъсване трябва да бъде проектирана в линията на прекъсване, показана на снимката.
-
При насочване на късите светлини вертикалното насочване трябва да се регулира след регулиране на хоризонталното насочване.
-
Ако разполагате с устройство за нивелиране на фаровете, поставете неговия превключвател на 0 позиции.

A: Вертикална линия на центъра на крушката на левия фар (къса светлина)
B: Вертикална линия на центъра на крушката на десния фар (къса светлина)
C: Хоризонтална линия на центъра на крушката на фара (къса светлина)
D: Линия на прекъсване
E: Ос на автомобила
F: Земя
-
Включете късите светлини, без водачът да е в автомобила.
-
Линията на прекъсване трябва да бъде проектирана в линията на прекъсване, показана на снимката.
-
При насочване на късите светлини вертикалното насочване трябва да се регулира след регулиране на хоризонталното насочване.
-
Ако разполагате с устройство за нивелиране на фаровете, поставете неговия превключвател на 0 позиции.

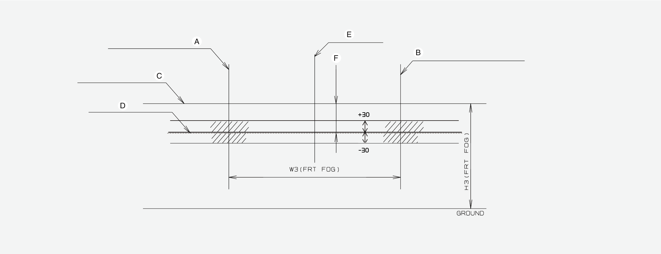
A: Вертикална линия на центъра на крушката на левия фар за мъгла
B: Вертикална линия на центъра на крушката на десния фар за мъгла
C: Хоризонтална линия на центъра на крушката за мъгла (къса светлина)
D: Линия на прекъсване
E: Ос на автомобила
F: Горна граница
G: Земя
-
Включете фаровете за мъгла, без водачът да е в автомобила.
-
Линията на прекъсване трябва да бъде проектирана в допустимия диапазон (сенчестата област).