Lygtejustering af forlygter og forreste tågelygter (for Europa)
Justering af forlygter


Operation
-
Pump dækkende op til det specificerede dæktryk, og fjern al vægt fra bilen undtagen fører, reservehjul og værktøj.
-
Bilen skal stå på et fladt gulv.
-
Tegn lodrette linjer (de lodrette linjer skal gå gennem midten af de respektive forlygters lys) og en vandret linje (den vandrette linje skal gå gennem midten af forlygternes lys) på skærmen.
-
Med forlygterne og batteriet i normal tilstand, indstilles forlygterne, så det klareste lys falder på de vandrette og lodrette linjer.
-
For at justere det korte lys venstre eller højre, drejes skruetrækkeren (1) med uret eller mod uret. For at justere det korte lys op eller ned, drejes skruetrækkeren (2) med uret eller mod uret.
Justering af forreste tågelygte




Forrest tågelygte kan indstilles på samme måde som forlygterne. Justér forreste tågelygter, når disse og batteriet er i normal tilstand.
Operation
-
Drej skruetrækkeren med uret eller mod uret for at justere den forreste tågelygte op eller ned.
Målet

* A: Skærm
|
Bilens stand |
Forlygte (LED-type) |
Forreste tågelygte (LED) (hvis monteret) |
|||||
|---|---|---|---|---|---|---|---|
|
Jordhøjde |
Afstand mellem lamper |
Jordhøjde |
Afstand mellem lamper |
||||
|
Nærlys/fjernlys |
Nærlys/fjernlys |
||||||
|
H1 |
H2 |
W1 |
W2 |
H3 |
W3 |
||
|
uden fører i bilen [mm] |
Type A |
754,1 (29,7) |
689,1 (27,1) |
1.456 (57,3) |
1.558 (61,3) |
412,5 (16,2) |
1.380 (54,3) |
|
Type B |
761,1 (30,0) |
704,1 (27,2) |
1.540 (60,6) |
1.540 (60,6) |
405,1 (15,9) |
1.475 (58,1) |
|
|
med fører [mm] |
Type A |
744,1 (29,3) |
679,1 (26,3) |
1.456 (57,3) |
1.558 (61,3) |
402,5 (15,8) |
1.380 (54,3) |
|
Type B |
751,1 (29,6) |
694,1 (27,3) |
1.540 (60,6) |
1.540 (60,6) |
395,1 (15,6) |
1.475 (58,1) |
|
Forlygte, nærlys (venstrestyret køretøj)

-
A: Køretøjets akse
-
B: Lodret linje fra midten af venstre forlygte
-
C: Lodret linje fra midten af højre forlygte
-
D: Vandret linje fra midten af forlygterne
-
E: Jord
-
F: Afskæringslinje
Operation
-
Tænd for nærlyset uden fører i køretøjet.
-
Afskæringslinjen skal projiceres som vist på billedet.
-
Ved justering af nærlyset skal sidejustering foretages efter at højdejusteringen er udført.
-
Hvis forlygternes nivelleringsenhed er monteret, skal den drejes til 0-position.
Forlygte, nærlys (højrestyret køretøj)

-
A: Køretøjets akse
-
B: Lodret linje fra midten af venstre forlygte
-
C: Lodret linje fra midten af højre forlygte
-
D: Vandret linje fra midten af forlygterne
-
E: Jord
-
F: Afskæringslinje
Operation
-
Tænd for nærlyset uden fører i køretøjet.
-
Afskæringslinjen skal projiceres som vist på billedet.
-
Ved justering af nærlyset skal sidejustering foretages efter at højdejusteringen er udført.
-
Hvis forlygternes nivelleringsenhed er monteret, skal den drejes til 0-position.
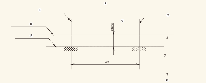
Forreste tågelygte

-
A: Køretøjets akse
-
B: Lodret linje fra midten af venstre tågelygte
-
C: Lodret linje fra midten af højre tågelygte
-
D: Vandret linje fra midten af tågelygte
-
E: Jord
-
F: Afskæringslinje
-
G: Øvre grænse
Operation
-
Tænd den forreste tågelygte uden fører i bilen.
-
Afskæringslinjen skal projiceres indenfor det tilladte område (skraveret område).