Nastavování čelních a mlhových světel (pro Evropu)
Zaměření čelních světel


-
Nafoukněte pneumatiky na stanovený tlak a z vozidla odstraňte veškerou zátěž kromě řidiče, náhradní pneumatiky a nářadí.
-
Vozidlo by mělo stát na rovné ploše.
-
Na zástěnu nakreslete svislé linky (svislé linky procházejí středem příslušných předních světel) a vodorovnou linku (vodorovná linka prochází středem předních světel).
-
S předními světly a akumulátorem v normálním stavu zaměřte přední světla tak, aby nejjasnější světlo procházelo průsečíky vodorovných a svislých linek.
-
Chcete-li namířit potkávací a dálková světla doleva nebo doprava, otáčejte šroubem (1) po směru nebo proti směru hodinových ručiček. Chcete-li namířit potkávací a dálková světla nahoru nebo dolů, otáčejte šroubem (2) po směru nebo proti směru hodinových ručiček.
Seřízení předních mlhových světel

Přední mlhová světla lze nastavovat stejným způsobem jako čelní světlomety.
Přední mlhová světla nastavujte, pokud přední mlhová světla i akumulátor v pořádku.
Pro naklonění vzhůru nebo dolů otáčejte šroubovákem ve směru, nebo proti směru hodinových ruček.
Zaměřovací bod

* A : Zobrazované
Jednotky: mm
|
Stav vozidla |
Čelní světlomet (halogenový) |
Čelní světlomet (LED typ) |
||||||
|---|---|---|---|---|---|---|---|---|
|
Výška nad povrchem |
Vzdálenost mezi světly |
Výška nad povrchem |
Vzdálenost mezi světly |
|||||
|
Potkávací světla |
Dálková světla |
Potkávací světla |
Dálková světla |
Potkávací světla |
Dálková světla |
Potkávací světla |
Dálková světla |
|
|
H1 |
H2 |
W1 |
W2 |
H1' |
H2' |
W1' |
W2' |
|
|
Bez řidiče |
841 (33,1) |
841 (33,1) |
1411 (55,6) |
1411 (55,6) |
851 (33,5) |
851 (33,5) |
1 384 (54,5) |
1 384 (54,5) |
|
S řidičem |
836 (32,9) |
836 (32,9) |
1411 (55,6) |
1411 (55,6) |
846 (33,3) |
846 (33,3) |
1 384 (54,5) |
1 384 (54,5) |
|
Stav vozidla |
Přední mlhová světla (typ se žárovkou) |
|
|---|---|---|
|
Výška nad povrchem |
Vzdálenost mezi světly |
|
|
H3 |
W3 |
|
|
Bez řidiče |
569 (22,4) |
1 548 (61,0) |
|
S řidičem |
564 (22,2) |
1 548 (61,0) |

A : Svislá linka středu žárovky levého čelního (potkávacího) světla
B : Svislá linka středu žárovky pravého čelního (potkávacího) světla
Vodorovná linka středu žárovky levého (potkávacího) čelního světla
D : Ořezová linka
E : Osa vozidla
F : Země
-
Zapněte potkávací světla bez osob ve vozidle.
-
Hrana stínění by měla být odpovídat vyobrazené linii.
-
Při nastavování potkávacích světel by po nastavení vodorovného zaměření mělo být nastaveno i svislé zaměření.
-
Pokud je vozidlo vybaveno systémem naklápění světlometů, nastavte příslušný ovladač do polohy 0.

A : Svislá linka středu žárovky levého čelního (potkávacího) světla
B : Svislá linka středu žárovky pravého čelního (potkávacího) světla
Vodorovná linka středu žárovky levého (potkávacího) čelního světla
D : Ořezová linka
E : Osa vozidla
F : Země
-
Zapněte potkávací světla bez osob ve vozidle.
-
Hrana stínění by měla být odpovídat vyobrazené linii.
-
Při nastavování potkávacích světel by po nastavení vodorovného zaměření mělo být nastaveno i svislé zaměření.
-
Pokud je vozidlo vybaveno systémem naklápění světlometů, nastavte příslušný ovladač do polohy 0.

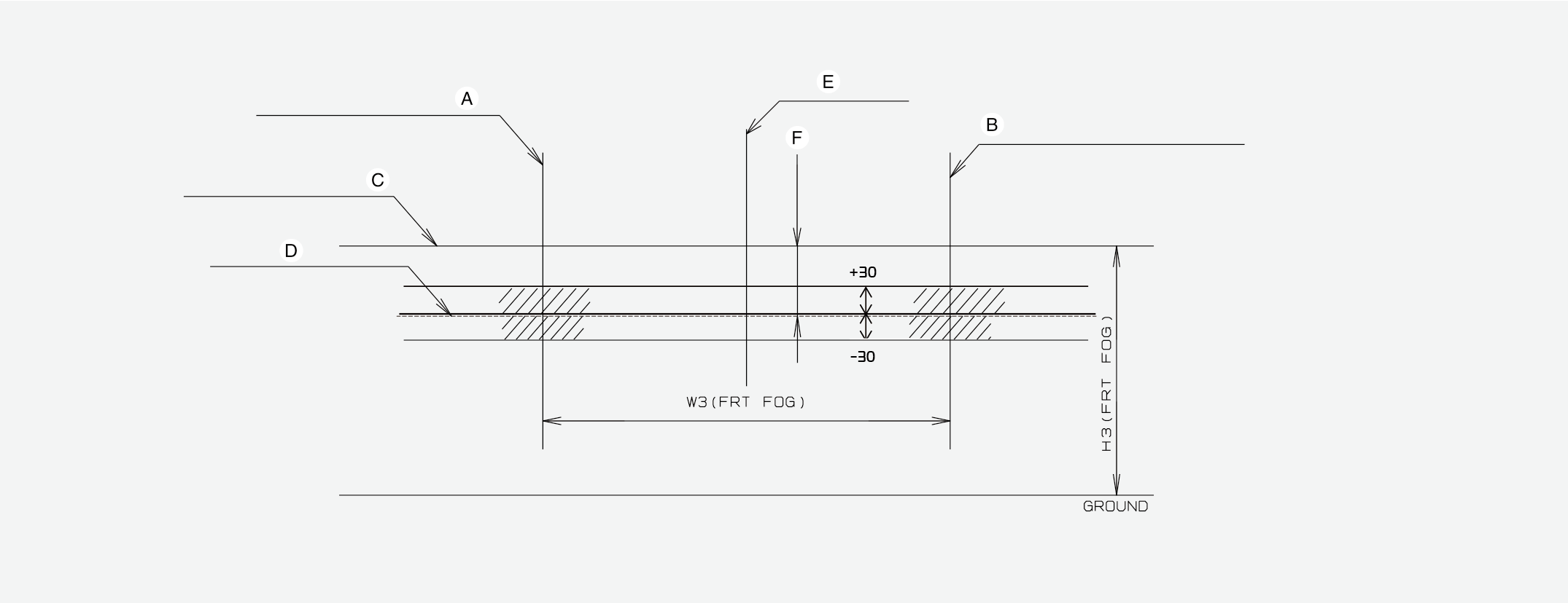
A : Svislá linka středu žárovky levého mlhového světla
B : Svislá linka středu žárovky pravého mlhového světla
C : Vodorovná linka středu žárovky levého (spodního) mlhového světla
D : Ořezová linka
E : Osa vozidla
F : Horní limit
G : Země
-
Zapněte přední mlhová světla bez osob ve vozidle.
-
Hranice stínění by se měla promítat nad označenou zónou (cloněná oblast).