Direcionamento dos faróis e luzes de nevoeiro dianteiras (para a Europa)
Direcionamento dos faróis


Funcionamento
-
Encha os pneus com a pressão indicada e retire eventuais cargas do veículo exceto o condutor, o pneu sobresselente e as ferramentas.
-
O veículo deverá estar estacionado numa superfície plana.
-
Trace linhas verticais (que passem pelos respetivos centros dos faróis) e uma linha horizontal (que passe pelo centro dos faróis) na tela.
-
Com os faróis e a bateria em condições normais, direcione os faróis de modo a que a parte mais brilhante assente nas linhas horizontal e verticais.
-
Para direcionar os médios para a esquerda ou para a direita, rode a chave de fendas (1) para a direita ou para a esquerda. Para direcionar os médios para cima ou para baixo, rode a chave de fendas (2) para a direita ou para a esquerda.
Direcionamento das luzes de nevoeiro dianteiras




As luzes de nevoeiro podem ser direcionadas da mesma maneira que os faróis. Com as luzes de nevoeiro dianteiras e a bateria em condições normais, direcione estas luzes.
Funcionamento
-
Para apontar o farol de nevoeiro dianteiro para cima ou para baixo, rode a chave de parafusos no sentido dos ponteiros do relógio ou no sentido contrário ao dos ponteiros do relógio.
Ponto focal

* A: Ecrã
|
Condições do veículo |
Faróis dianteiros (tipo LED) |
Luzes de nevoeiro dianteiras (tipo LED) (se instalado) |
|||||
|---|---|---|---|---|---|---|---|
|
Altura ao solo |
Distância entre as luzes |
Altura ao solo |
Distância entre as luzes |
||||
|
Médios/máximos |
Médios/máximos |
||||||
|
H1 |
H2 |
W1 |
W2 |
H3 |
W3 |
||
|
Sem condutor [mm (pol.)] |
Tipo A |
764,1 (30,1) |
713,6 (28,1) |
1532 (60,3) |
1546 (60,9) |
427 (16,8) |
1380 (54,3) |
|
Tipo B |
764,1 (30,1) |
713,6 (28,1) |
1532 (60,3) |
1546 (60,9) |
402 (15,8) |
1157 (45,6) |
|
|
com condutor [mm (pol.)] |
Tipo A |
754,1 (29,7) |
703,6 (27,7) |
1532 (60,3) |
1546 (60,9) |
417 (16,4) |
1380 (54,3) |
|
Tipo B |
754,1 (29,7) |
703,6 (27,7) |
1532 (60,3) |
1546 (60,9) |
392 (15,4) |
1157 (45,6) |
|
Médios (Veículo LHD)

-
A: Eixo do veículo
-
B: Linha vertical do centro da lâmpada da luz dianteira esquerda
-
C: Linha vertical do centro da lâmpada da luz dianteira direita
-
D: Linha horizontal do centro da lâmpada da luz dianteira
-
E: Chão
-
F: Linha de recorte
Funcionamento
-
Ligue os médios sem o condutor no veículo.
-
A linha de recorte deve ser projetada na linha de recorte indicada na imagem.
-
Na focalização dos médios, a focalização vertical deve ser ajustada após o ajuste da focalização horizontal.
-
Se o veículo estiver equipado com dispositivo de nivelamento dos faróis, ajuste-o para as posições 0.
Médios (Veículo RHD)

-
A: Eixo do veículo
-
B: Linha vertical do centro da lâmpada da luz dianteira esquerda
-
C: Linha vertical do centro da lâmpada da luz dianteira direita
-
D: Linha horizontal do centro da lâmpada da luz dianteira
-
E: Chão
-
F: Linha de recorte
Funcionamento
-
Ligue os médios sem o condutor no veículo.
-
A linha de recorte deve ser projetada na linha de recorte indicada na imagem.
-
Na focalização dos médios, a focalização vertical deve ser ajustada após o ajuste da focalização horizontal.
-
Se o veículo estiver equipado com dispositivo de nivelamento dos faróis, ajuste-o para as posições 0.
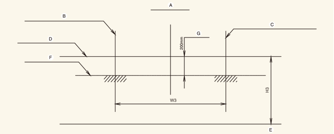
Luz de nevoeiro dianteira

-
A: Eixo do veículo
-
B: Linha vertical do centro da lâmpada da luz de nevoeiro esquerda
-
C: Linha vertical do centro da lâmpada da luz de nevoeiro direita
-
D: Linha horizontal do centro da lâmpada da luz de nevoeiro
-
E: Chão
-
F: Linha de recorte
-
G: Limite superior
Funcionamento
-
Ligue a luz de nevoeiro dianteira sem o condutor a bordo.
-
A linha de recorte deve ser projetada no alcance admissível (zona sombreada).