Regulacja wiązki reflektorów i przednich świateł przeciwmgielnych (Europa)
Regulacja reflektorów


-
Napompować opony do osiągnięcia wskazanego ciśnienia i wyjąć z pojazdu wszelki zbędny ładunek – powinien w nim pozostać wyłącznie kierowca, zapasowe koło i narzędzia.
-
Pojazd należy umieścić na płaskim podłożu.
-
Narysować na ekranie pionowe linie (przechodzące przez środki świateł głównych) i linię poziomą (przechodzącą przez środki świateł głównych).
-
Kiedy reflektory przednie i akumulator są w normalnym stanie, ustawić lampy tak, by pozycja największego świecenia znajdowała się na linii poziomej i liniach pionowych.
-
Aby skierować światła mijania w lewo lub w prawo, przekręcić śrubokręt (1) prawoskrętnie lub lewoskrętnie. Aby skierować światła mijania w górę lub w dół, przekręcić śrubokręt (2) prawoskrętnie lub lewoskrętnie.
Regulacja ustawienia przednich świateł przeciwmgłowych

Regulację ustawienia przednich świateł przeciwmgłowych przeprowadza się w taki sam sposób jak regulację ustawienia reflektorów przednich.
Regulacji ustawienia przednich świateł przeciwmgielnych dokonuje się w normalnych warunkach działania lamp i akumulatora.
Aby ustawić przednie światła przeciwmgielne, przekręcić wkrętak zgodnie lub przeciwnie do kierunku ruchu wskazówek zegara.
Punkt padania wiązki

* A : Ekran
jednostka: mm
|
Stan pojazdu |
Reflektor (Halogen) |
Reflektor (LED) |
||||||
|---|---|---|---|---|---|---|---|---|
|
Wysokość od podłoża |
Odległość między reflektorami |
Wysokość od podłoża |
Odległość między reflektorami |
|||||
|
Światła mijania |
Światła drogowe |
Światła mijania |
Światła drogowe |
Światła mijania |
Światła drogowe |
Światła mijania |
Światła drogowe |
|
|
H1 |
H2 |
W1 |
W2 |
H1' |
H2' |
W1' |
W2' |
|
|
Bez kierowcy |
841 (33,1) |
841 (33,1) |
1411 (55,6) |
1411 (55,6) |
851 (33,5) |
851 (33,5) |
1384 (54,5) |
1384 (54,5) |
|
Z kierowcą |
836 (32,9) |
836 (32,9) |
1411 (55,6) |
1411 (55,6) |
846 (33,3) |
846 (33,3) |
1384 (54,5) |
1384 (54,5) |
|
Stan pojazdu |
Przednie światło przeciwmgłowe (żarówka) |
|
|---|---|---|
|
Wysokość od podłoża |
Odległość między reflektorami |
|
|
H3 |
W3 |
|
|
Bez kierowcy |
569 (22,4) |
1548 (61,0) |
|
Z kierowcą |
564 (22,2) |
1548 (61,0) |

A: Linia pionowa środka żarówki lewego reflektora (światła mijania)
B: Linia pionowa środka żarówki prawego reflektora (światła mijania)
C: Linia pozioma środka żarówki reflektora (światła mijania)
D: Linia odcięcia
E: Oś pojazdu
F: Podłoże
-
Włączyć światła mijania w pojeździe bez kierowcy.
-
Linia odcięcia (granica światła-cienia) powinna pokrywać się z linią odcięcia pokazaną na rysunku.
-
Przy ustawianiu świateł mijania, regulacja pionowa powinna być wykonana po regulacji poziomej.
-
Jeżeli do wyposażenia należy urządzenie do poziomowania świateł głównych, ustawić przełącznik urządzenia w położenie 0.

A: Linia pionowa środka żarówki lewego reflektora (światła mijania)
B: Linia pionowa środka żarówki prawego reflektora (światła mijania)
C: Linia pozioma środka żarówki reflektora (światła mijania)
D: Linia odcięcia
E: Oś pojazdu
F: Podłoże
-
Włączyć światła mijania w pojeździe bez kierowcy.
-
Linia odcięcia (granica światła-cienia) powinna pokrywać się z linią odcięcia pokazaną na rysunku.
-
Przy ustawianiu świateł mijania, regulacja pionowa powinna być wykonana po regulacji poziomej.
-
Jeżeli do wyposażenia należy urządzenie do poziomowania świateł głównych, ustawić przełącznik urządzenia w położenie 0.

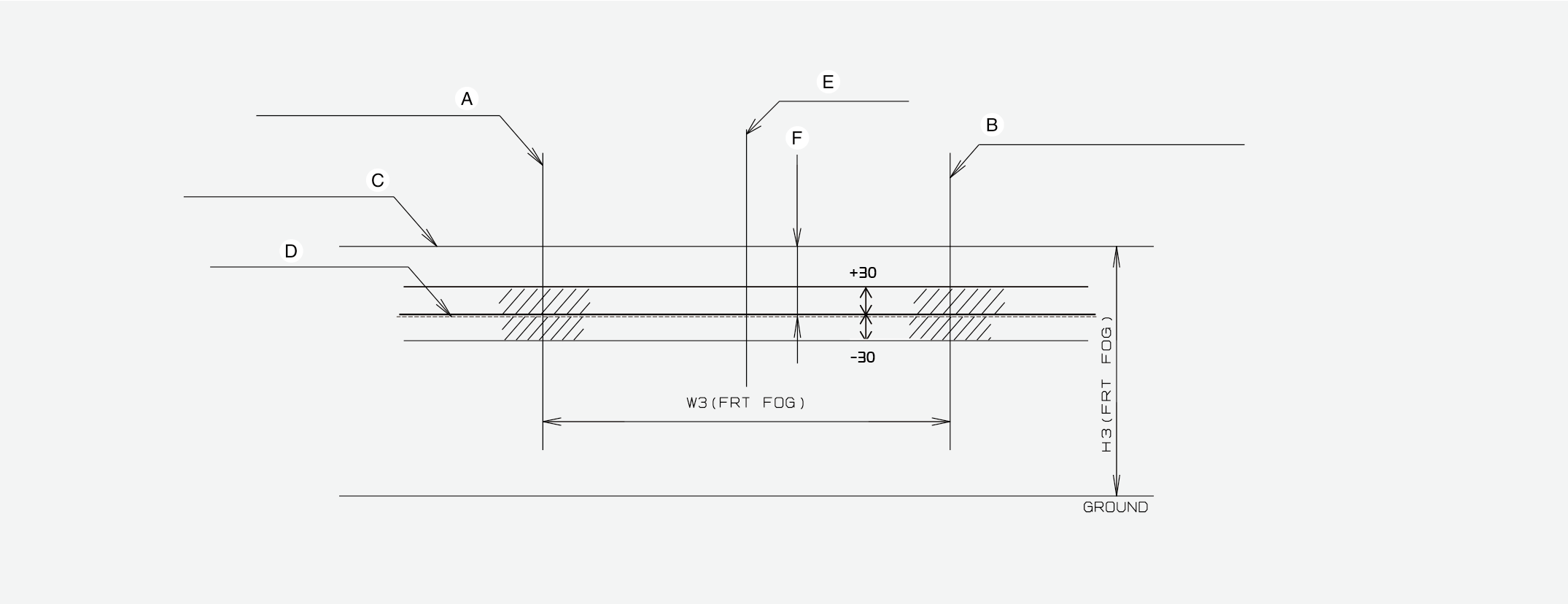
A: Linia pionowa środka żarówki lewej lampy przeciwmgielnej
B: Linia pionowa środka żarówki prawej lampy przeciwmgielnej
C: Linia pozioma środka żarówki lampy przeciwmgielnej (światła mijania)
D: Linia odcięcia
E: Oś pojazdu
F: Górna granica
G: Podłoże
-
Włączyć przednie światła przeciwmgłowe bez kierowcy.
-
Linia odcięcia powinna znajdować się w dozwolonym obszarze (powierzchnia zacieniowana).