Orientamento di fari e luci fendinebbia (per l'Europa)
Orientamento dei fari


-
Gonfiare gli pneumatici con la pressione specificata e rimuovere qualsiasi carico dal veicolo ad eccezione di conducente, pneumatico di scorta e attrezzi.
-
Il veicolo deve essere parcheggiato su un pavimento in piano.
-
Disegnare due linee verticali (Linee verticali passanti attraverso il centro del rispettivo faro) e una linea orizzontale (Linea orizzontale passante attraverso il centro dei due fari) sullo schermo.
-
Con fari e batteria in condizione normale, orientare i fari in modo che la porzione con la luminosità massima cada sulle linee orizzontale e verticali.
-
Per orientare i fari anabbaglianti e abbaglianti verso sinistra o verso destra, ruotare il cacciavite (1) in senso orario o antiorario. Per orientare i fari anabbaglianti e abbaglianti verso l'alto o verso il basso, ruotare il cacciavite (2) in senso orario o antiorario.
Orientamento luci fendinebbia

L'orientamento delle luci fendinebbia si esegue come l'orientamento dei fari.
Con i fendinebbia anteriori e la batteria in condizioni di funzionamento normali, orientare i fendinebbia anteriori.
Per orientare i fendinebbia anteriori verso l'alto o verso il basso, ruotare il cacciavite in senso orario o antiorario.
Punto di orientamento

* A: Schermo
Unità: mm
|
Condizione veicolo |
Faro (alogeno) |
Faro (tipo a LED) |
||||||
|---|---|---|---|---|---|---|---|---|
|
Altezza da terra |
Distanza tra le luci |
Altezza da terra |
Distanza tra le luci |
|||||
|
Anabbaglianti |
Abbaglianti |
Anabbaglianti |
Abbaglianti |
Anabbaglianti |
Abbaglianti |
Anabbaglianti |
Abbaglianti |
|
|
H1 |
H2 |
W1 |
W2 |
H1' |
H2' |
W1' |
W2' |
|
|
Senza conducente |
841 (33,1) |
841 (33,1) |
1411 (55,6) |
1411 (55,6) |
851 (33,5) |
851 (33,5) |
1384 (54,5) |
1384 (54,5) |
|
Con conducente |
836 (32,9) |
836 (32,9) |
1411 (55,6) |
1411 (55,6) |
846 (33,3) |
846 (33,3) |
1384 (54,5) |
1384 (54,5) |
|
Condizione veicolo |
Luce fendinebbia anteriore (lampadina) |
|
|---|---|---|
|
Altezza da terra |
Distanza tra le luci |
|
|
H3 |
W3 |
|
|
Senza conducente |
569 (22,4) |
1548 (61,0) |
|
Con conducente |
564 (22,2) |
1548 (61,0) |

A: Linea verticale del centro lampadina faro lato sinistro (basso)
B: Linea verticale del centro lampadina faro lato destro (basso)
C: Linea orizzontale del centro lampadine faro (basso)
D: Linea di demarcazione
E: Mezzeria del VEICOLO
F: Terra
-
Accendere le luci anabbaglianti senza conducente a bordo.
-
La linea di demarcazione deve essere proiettata entro la linea di demarcazione indicata in figura.
-
Quando si orientano le luci anabbaglianti, l'orientamento verticale deve essere regolato dopo aver regolato l'orientamento orizzontale.
-
Se il dispositivo di regolazione fari è in dotazione, regolare l'interruttore dispositivo di regolazione fari sulla posizione '0'.

A: Linea verticale del centro lampadina faro lato sinistro (basso)
B: Linea verticale del centro lampadina faro lato destro (basso)
C: Linea orizzontale del centro lampadine faro (basso)
D: Linea di demarcazione
E: Mezzeria del VEICOLO
F: Terra
-
Accendere le luci anabbaglianti senza conducente a bordo.
-
La linea di demarcazione deve essere proiettata entro la linea di demarcazione indicata in figura.
-
Quando si orientano le luci anabbaglianti, l'orientamento verticale deve essere regolato dopo aver regolato l'orientamento orizzontale.
-
Se il dispositivo di regolazione fari è in dotazione, regolare l'interruttore dispositivo di regolazione fari sulla posizione '0'.

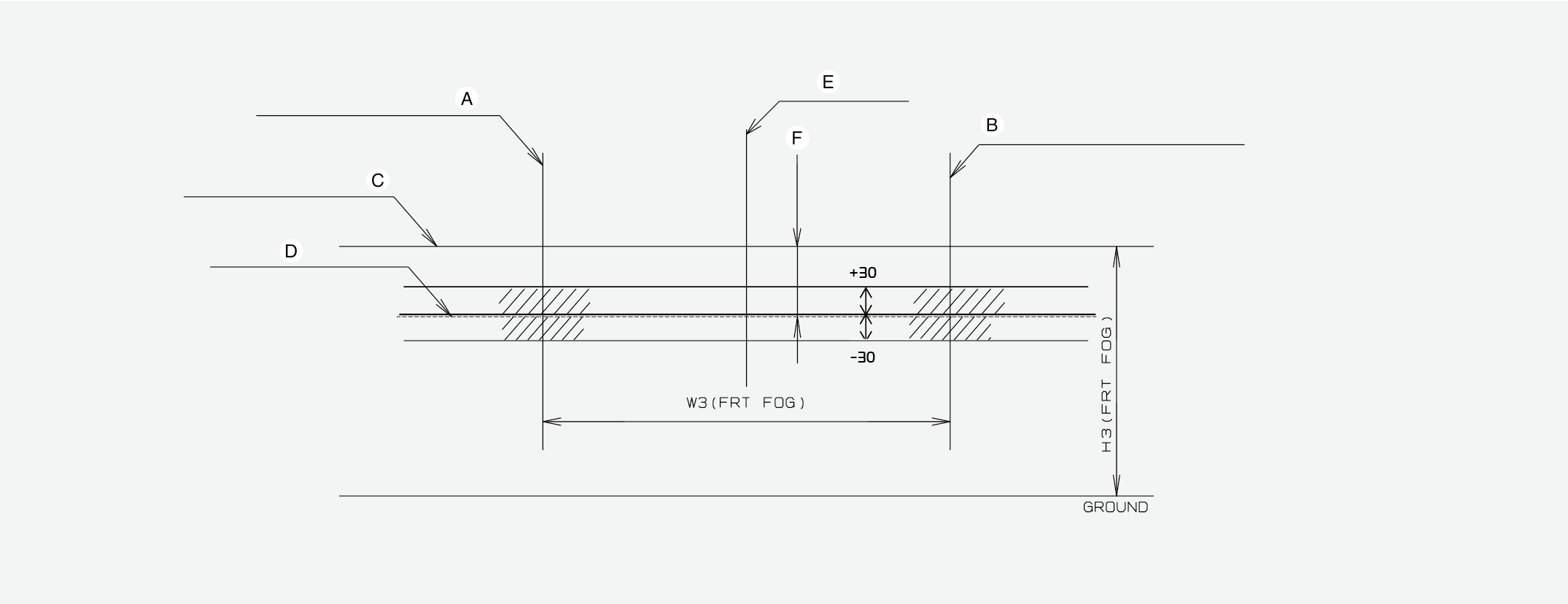
A: Linea verticale del centro lampadina luce fendinebbia lato sinistro
B: Linea verticale del centro lampadina luce fendinebbia lato destro
C: Linea orizzontale del centro lampadine luci fendinebbia
D: Linea di demarcazione
E: Mezzeria del VEICOLO
F: Limite superiore
G: Terra
-
Accendere le luci fendinebbia senza conducente a bordo.
-
La linea di distacco deve essere proiettata nell'area prevista (zona ombreggiata).