Esilambi ja esimese udutule suunamine (Euroopa)
Esitulede valgusvihu suuna reguleerimine


Kasutamine
-
Pumbake rehvid ettenähtud rõhuni ja eemaldage autost kogu koormus, väljaarvatus juht, varuratas ja tööriistad.
-
Sõiduk peab asuma tasasel horisontaalsel aluspinnal (põrandal).
-
Joonistage ekraanile vertikaaljooned (vertikaaljooned peavad läbima vastava esitule valgusvihukeskosa) ja horisontaaljoon (horisontaaljoon peab läbima esitulede valgusvihu keskosa).
-
Kui esituled ning aku on normaalses seisukorras, suunake esitulede valgusviht nii, et kõige eredam osa langeb horisontaal- ja vertikaaljoontele.
-
Lähitule valgusvihu suunamiseks vasakule või paremale keerake kruvikeerajat (1) päri- või vastupäeva. Lähitule valgusvihu suunamiseks üles- või allapoole keerake kruvikeerajat (2) päri- või vastupäeva.
Eesmise udutule suund (mõnel mudelil)


Eesmisi udutulesid saab reguleerida samamoodi nagu sihtivaid esitulesid. Eesmiste udutulede ja aku normaalse seisukorra korral reguleerige eesmisi udutulesid.
Kasutamine
-
Eesmise udutule üles- või allapoole suunamiseks keerake kruvikeerajat päripäeva või vastupäeva.
Valgusvihu suund


* A. Ekraan
|
Sõiduki seisund |
Esituli |
Eesmine udutuli (LED-tüüpi) (kui kuulub varustusse) |
|||||
|---|---|---|---|---|---|---|---|
|
Kõrgus maapinnast |
Lampidevaheline kaugus |
Kõrgus maapinnast |
Lampidevaheline kaugus |
||||
|
Lähituled/kaugtuled |
Lähituled/kaugtuled |
||||||
|
H1 |
H2 |
W1 |
W2 |
H3 |
W3 |
||
|
juhita [mm] |
Tüüp A |
727,4 (28,6) |
1470,4 (57,9) |
354,8 (14,0) |
1060 (41,7) |
||
|
Tüüp B |
750,0 (29,5) |
681,1 (26,8) |
1479,8 (58,3) |
1478,5 (58,2) |
|||
|
juhiga [mm] |
Tüüp A |
717,4 (28,2) |
1470,4 (57,9) |
344,8 (13,6) |
1060 (41,7) |
||
|
Tüüp B |
740,0 (29,1) |
671,1 (26,4) |
1479,8 (58,3) |
1478,5 (58,2) |
|||
Esitule lähituli (vasakpoolse rooliga sõiduk)

-
A. Sõiduki telg
-
B. Vasaku esitule pirni keskosa
-
C. Parema esitule pirni keskosa
-
D. Esitule keskosa horisontaaljoon
-
E. maandus
-
F. Lõikejoon
Kasutamine
-
Lülitage lähituled sisse, kui juht ei ole autos.
-
Valgustatud ala piirjoon peab asuma joonisel näidatud valgustatud ala piirjoonel.
-
Lähitule valgusvihu suuna reguleerimisel tuleb valgusvihku esmalt reguleerida horisontaalsuunas, seejärel vertikaalsuunas.
-
Kui autol on esitulede regulaator, pange regulaatori lüliti asendisse 0.
Esitule lähituli (parempoolse rooliga sõiduk)

-
A. Sõiduki telg
-
B. Vasaku esitule pirni keskosa
-
C. Parema esitule pirni keskosa
-
D. Esitule keskosa horisontaaljoon
-
E. maandus
-
F. Lõikejoon
Kasutamine
-
Lülitage lähituled sisse, kui juht ei ole autos.
-
Valgustatud ala piirjoon peab asuma joonisel näidatud valgustatud ala piirjoonel.
-
Lähitule valgusvihu suuna reguleerimisel tuleb valgusvihku esmalt reguleerida horisontaalsuunas, seejärel vertikaalsuunas.
-
Kui autol on esitulede regulaator, pange regulaatori lüliti asendisse 0.
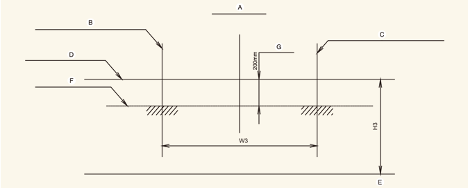
Esiudutuli (mõnel mudelil)

-
A. Sõiduki telg
-
B. Vasaku udutule pirni keskosa vertikaaljoon
-
C. Parema udutule pirni keskosa vertikaaljoon
-
D. Udutule pirni keskosa horisontaaljoon
-
E. maandus
-
F. Lõikejoon
-
G. Ülemine limiit
Kasutamine
-
Lülitage eesmine udutuli sisse ajal, kui juht ei ole sõidukis.
-
Lõikejoon peaks jääma lubatud piirkonda (varjutatud alale).