Afstellen koplampen en mistlampen voor (Europa)
Koplampen afstellen


-
Pomp de banden tot de gewenste bandenspanning op en haal alle lading uit de auto behalve de bestuurder, reserveband en gereedschap.
-
Zet de auto op een vlakke vloer.
-
Teken verticale lijnen (door de middelpunten van elk van de koplampen) en een horizontale lijn (door de middelpunten van de koplampen) op het scherm.
-
Controleer of de accu voldoende geladen is, schakel de koplampen in en stel de koplampen zo af dat het helderste gedeelte van de lichtbundel op de horizontale en verticale lijnen valt.
-
Draai de schroevendraaier (1) rechtsom of linksom om de dim- en grootlichtbundel naar links of rechts te verstellen. Draai de schroevendraaier (2) rechtsom of linksom om de dim- of grootlichtbundel omhoog of omlaag te verstellen.
Mistlamp voor afstellen

De mistlamp voor kan op dezelfde manier worden afgesteld als de koplampen.
Stel de mistlampen af bij een voldoende geladen accu en normaal functionerende lampen.
Draai de schroevendraaier rechtsom of linksom om de mistlamp voor omhoog of omlaag te verstellen.
Afstelpunt

* A: Scherm
Eenheid: mm
|
Staat van de auto |
Koplamp (halogeen) |
Koplamp (LED) |
||||||
|---|---|---|---|---|---|---|---|---|
|
Grondspeling |
Afstand tussen lampen |
Grondspeling |
Afstand tussen lampen |
|||||
|
Dimlicht |
Grootlicht |
Dimlicht |
Grootlicht |
Dimlicht |
Grootlicht |
Dimlicht |
Grootlicht |
|
|
H1 |
H2 |
W1 |
W2 |
H1' |
H2' |
W1' |
W2' |
|
|
Zonder bestuurder |
841 (33,1) |
841 (33,1) |
1411 (55,6) |
1411 (55,6) |
851 (33,5) |
851 (33,5) |
1.384 (54,5) |
1.384 (54,5) |
|
Met bestuurder |
836 (32,9) |
836 (32,9) |
1411 (55,6) |
1411 (55,6) |
846 (33,3) |
846 (33,3) |
1.384 (54,5) |
1.384 (54,5) |
|
Staat van de auto |
Mistvoorlicht (gloeilamp) |
|
|---|---|---|
|
Grondspeling |
Afstand tussen lampen |
|
|
H3 |
W3 |
|
|
Zonder bestuurder |
569 (22,4) |
1.548(61,0) |
|
Met bestuurder |
564 (22,2) |
1.548(61,0) |

A: Verticale lijn over midden linker koplamp (onder)
B: Verticale lijn over midden rechter koplamp (onder)
C: Horizontale lijn over midden koplamp (onder)
D: Knik
E: As van auto
F: Grond
-
Stel het dimlicht af zonder dat de bestuurder in de auto zit.
-
De knik moet worden geprojecteerd op de plaats van de knik in de afbeelding.
-
Bij het afstellen van het dimlicht, stelt u eerst horizontaal af, en vervolgens verticaal.
-
Als de auto is uitgerust met koplamphoogteregeling, zet dan de schakelaar van de koplamphoogteregeling op 0.

A: Verticale lijn over midden linker koplamp (onder)
B: Verticale lijn over midden rechter koplamp (onder)
C: Horizontale lijn over midden koplamp (onder)
D: Knik
E: As van auto
F: Grond
-
Stel het dimlicht af zonder dat de bestuurder in de auto zit.
-
De knik moet worden geprojecteerd op de plaats van de knik in de afbeelding.
-
Bij het afstellen van het dimlicht, stelt u eerst horizontaal af, en vervolgens verticaal.
-
Als de auto is uitgerust met koplamphoogteregeling, zet dan de schakelaar van de koplamphoogteregeling op 0.

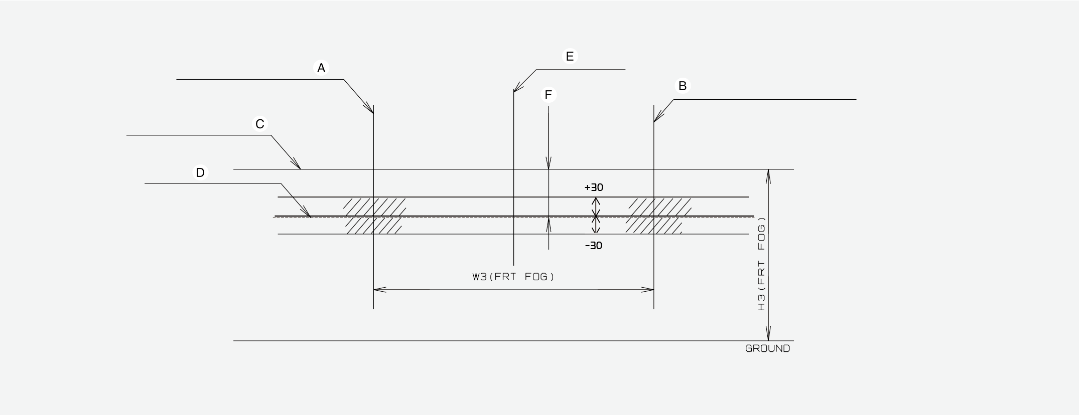
A: Verticale lijn over midden linker mistlamp
B: Verticale lijn over midden rechter mistlamp
C: Horizontale lijn over midden mistlamp (onder)
D: Knik
E: As van auto
F: Bovenste begrenzing
G: Grond
-
Schakel de mistlamp vooraan in zonder dat de bestuurder in de auto zit.
-
De knik moet worden geprojecteerd binnen het toegestane bereik (gearceerd gebied).