Remorquage - Pour l’Europe uniquement (pour 1 tonne uniquement)

Traction d’une remorque
Vous devez utiliser l'équipement correct et/ou rouler correctement pour conserver le contrôle en tirant une remorque. Par exemple, si la remorque est trop lourde, les freins peuvent mal fonctionner ou ne pas fonctionner du tout. Vous-même et vos passagers risquez de graves blessures, voire la mort. Ne tirer une remorque qu’en respectant toutes les recommandations de cette section.

Limites de poids
Avant le remorquage, vérifier le poids total de la remorque, le poids brut combiné (PTRA), le poids brut du véhicule (PTAC), le poids total sur essieu (PTE) et la charge sur le timon de la remorque qui doivent tous être dans les limites.

Pour l’Europe
-
La charge maximale autorisée techniquement sur l’essieu ou les essieux arrière ne peut être dépassée de plus de 15 % et la masse chargée maximale autorisée techniquement du véhicule peut ne pas être dépassée de plus de 10 % ou 100 kg, selon la valeur la plus basse. Dans ce cas, ne pas dépasser 100 km/h (62,1 mph).
-
En tirant une remorque, la charge additionnelle imposée au dispositif d’accouplement de remorque peut entraîner le dépassement de charge nominale maximale sur pneu arrière, mais pas de plus de 15 %. Dans ce cas, ne pas dépasser 100 km/h et la pression de pneu arrière doit être au moins de 20 kPa (0,2 bar) au-dessus des pressions recommandées en utilisation normale (c'est-à-dire sans remorque attachée).

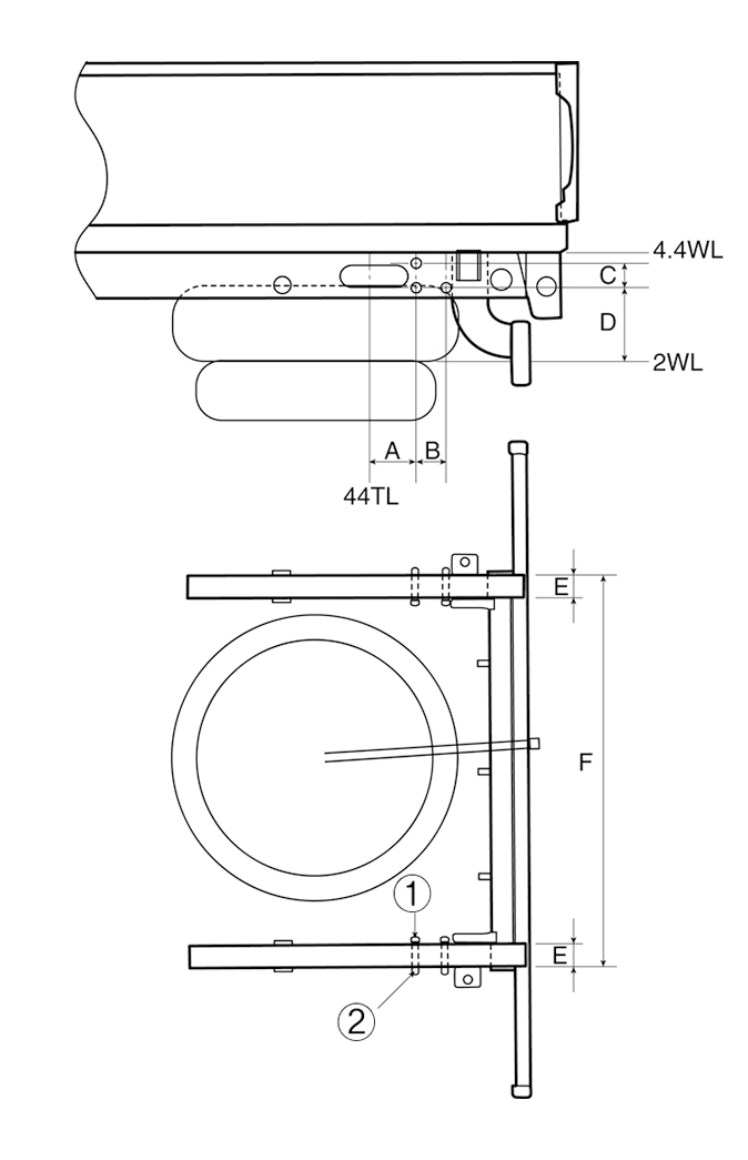
* 1 : Collier boulon 2:6-M 12
A : 165 (6,50)
B : 70 (2,76)
C : 55 (2,17)
D : 165 (6,50)
E : 50 (1,97)
F : 880 (34,65)

Le trou de montage pour les attelages se trouve sur les deux côtés du soubassement, derrière les roues arrière.
Votre véhicule peut tirer une remorque. Pour identifier la capacité de remorquage qui correspond à celle de votre véhicule, vous devez lire les informations dans « Poids de la remorque » indiquées plus bas dans ce chapitre.
Rappelez-vous que la conduite en remorquage est différente de celle d’un véhicule seul. Le remorquage implique des changements de comportement, de durabilité et d’économie de carburant. Un remorquage réussi et sûr exige un équipement correct utilisé correctement.
Cette section contient des conseils et des règles de sécurité importants de remorquage qui ont été maintes fois confirmés. La plupart sont importants pour votre sécurité et celle de vos passagers. Veuillez lire cette section attentivement avant de tirer une remorque.
Les composants de traction de la charge tels que le moteur, la transmission, les roues et les pneus sont soumis à rude épreuve par le poids supplémentaire. Le moteur doit fonctionner à des régimes relativement plus élevés et sous des charges plus importantes. Ceci génère une chaleur supplémentaire. La remorque ajoute aussi énormément de résistance au vent, augmentant les exigences de traction.