Esilambi ja esimese udutule suunamine (Euroopa)
Esitulede valgusvihu suuna reguleerimine


-
Täitke rehvid normikohase rõhuni ja tühjendage auto igasugusest pagasist, nii et autosse jääks vaid juht, varuratas ja autoga kaasasolevad tööriistad.
-
Auto peab asuma tasasel horisontaalsel aluspinnal (põrandal).
-
Joonistage ekraanile vertikaaljooned (vertikaaljooned peavad läbima vastava esitule valgusvihukeskosa) ja horisontaaljoon (horisontaaljoon peab läbima esitulede valgusvihu keskosa).
-
Kui esituled ja aku on normaalses seisukorras, suunake esitulede valgusviht nii, et kõige eredam osa langeb horisontaal- ja vertikaaljoontele.
-
Lähi- ja kaugtule valgusvihkude vasakule või paremale suunamiseks keerake regulaatorit (1) päri- või vastupäeva. Lähi- või kaugtule valgusvihkude üles või alla suunamiseks keerake regulaatorit (2) päri- või vastupäeva.
Eesmise udutule suunamine

Esimesi udutulesid suunatakse samuti nagu laternaid.
Kui esiudutuled ja aku on normaalses seisukorras, suunake udutulesid.
Udutulede üles või alla suunamiseks keerake regulaatorit päri- või vastupäeva.
Valgusvihu suund

* A: Ekraan
Ühik: mm (tolli)
|
Auto seisund |
Esituli (halogeen) |
Esituled (LED-tüüpi) |
||||||
|---|---|---|---|---|---|---|---|---|
|
Kõrgus maapinnast |
Lampidevaheline kaugus |
Kõrgus maapinnast |
Lampidevaheline kaugus |
|||||
|
Lähituled |
Kaugtuli |
Lähituled |
Kaugtuli |
Lähituled |
Kaugtuli |
Lähituled |
Kaugtuli |
|
|
H1 |
K2 |
L1 |
L2 |
K1' |
K2' |
L1' |
L2' |
|
|
Ilma juhita |
841 (33,1) |
841 (33,1) |
1411 (55,6) |
1411 (55,6) |
851 (33,5) |
851 (33,5) |
1384 (54,5) |
1384 (54,5) |
|
Koos juhiga |
836 (32,9) |
836 (32,9) |
1411 (55,6) |
1411 (55,6) |
846 (33,3) |
846 (33,3) |
1384 (54,5) |
1384 (54,5) |
|
Auto seisund |
Esiudutuli (pirni tüüpi) |
|
|---|---|---|
|
Kõrgus maapinnast |
Lampidevaheline kaugus |
|
|
K3 |
L3 |
|
|
Ilma juhita |
569 (22,4) |
1548 (61,0) |
|
Koos juhiga |
564 (22,2) |
1548 (61,0) |

A: Vasaku esitule pirni (alumise) keskosa vertikaaljoon
B: Parema esitule pirni (alumise) keskosa vertikaaljoon
C: Esitule pirni (alumise) keskosa horisontaaljoon
D: Valgustatud ala piirjoon
E: Auto pikitelg
F: Maapind
-
Lülitage lähituled sisse, kui juht ei ole autos.
-
Valgustatud ala piirjoon peab asuma joonisel näidatud valgustatud ala piirjoonel.
-
Lähitulede reguleerimisel peab vertikaalse reguleerimise viima läbi peale horisontaalset reguleerimist.
-
Kui autol on esitulede regulaator, pange regulaatori lüliti 0 asendisse.

A: Vasaku esitule pirni (alumise) keskosa vertikaaljoon
B: Parema esitule pirni (alumise) keskosa vertikaaljoon
C: Esitule pirni (alumise) keskosa horisontaaljoon
D: Valgustatud ala piirjoon
E: Auto pikitelg
F: Maapind
-
Lülitage lähituled sisse, kui juht ei ole autos.
-
Valgustatud ala piirjoon peab asuma joonisel näidatud valgustatud ala piirjoonel.
-
Lähitulede reguleerimisel peab vertikaalse reguleerimise viima läbi peale horisontaalset reguleerimist.
-
Kui autol on esitulede regulaator, pange regulaatori lüliti 0 asendisse.

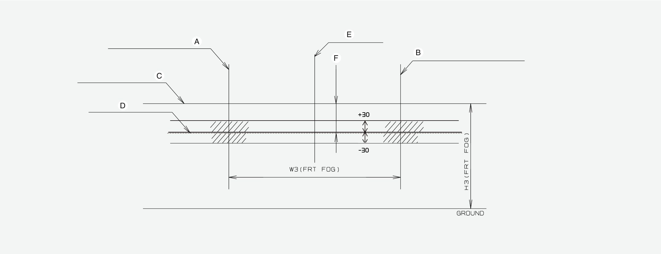
A: Vasaku udutule pirni keskosa vertikaaljoon
B: Parema udutule pirni keskosa vertikaaljoon
C: Udutule pirni keskosa horisontaaljoon (alumine)
D: Valgustatud ala piirjoon
E: Auto pikitelg
F: Ülemine piir
G: Maapind
-
Lülitage esiudutuled sisse, kui juht ei ole autos.
-
Lõikejoon peab olema projitseeritud lubatud vahemikus (varjutatud ala).