Orientación de los faros y de la luz antiniebla delantera (para Europa)
Orientación de los faros


Funcionamiento
-
Infle los neumáticos a la presión especificada y retire toda carga del vehículo excepto el conductor, el neumático de repuesto y las herramientas.
-
Coloque el vehículo sobre una superficie plana.
-
Trace líneas verticales (que pasen por los centros respectivos de los faros) y una línea horizontal (que pase por el centro de los faros) en la pantalla.
-
Con los faros y la batería en estado normal, oriente los faros de modo que la parte más intensa se dirija a las líneas verticales y horizontal.
-
Para orientar la luz de cruce derecha o izquierda, gire el destornillador (1) en sentido horario o antihorario. Para orientar hacia arriba o hacia abajo el haz de las luces de cruce, gire el destornillador (2) en sentido horario o antihorario.
Orientación de la luz antiniebla delantera




La luz antiniebla delantera puede orientarse del mismo modo que los faros. Con las luces antiniebla delanteras y la batería en estado normal, oriente las luces antiniebla delanteras.
Funcionamiento
-
Para orientar la luz antiniebla delantera hacia arriba o hacia abajo, gire el destornillador en sentido horario o antihorario.
Punto de orientación

* A: Pantalla
|
Condición del vehículo |
Faro (tipo LED) |
Luz antiniebla delantera (tipo LED) (si está equipado) |
|||||
|---|---|---|---|---|---|---|---|
|
Altura del suelo |
Distancia entre faros |
Altura del suelo |
Distancia entre faros |
||||
|
Luces de carretera/cruce |
Luces de carretera/cruce |
||||||
|
H1 |
H2 |
W1 |
W2 |
H3 |
W3 |
||
|
sin conductor [mm (pulg.)] |
Tipo A |
754,1 (29,7) |
689,1 (27,1) |
1456 (57,3) |
1558 (61,3) |
412,5 (16,2) |
1380 (54,3) |
|
Tipo B |
761,1 (30,0) |
704,1 (27,2) |
1540 (60,6) |
1540 (60,6) |
405,1 (15,9) |
1475 (58,1) |
|
|
con conductor [mm (pulg.)] |
Tipo A |
744,1 (29,3) |
679,1 (26,3) |
1456 (57,3) |
1558 (61,3) |
402,5 (15,8) |
1380 (54,3) |
|
Tipo B |
751,1 (29,6) |
694,1 (27,3) |
1540 (60,6) |
1540 (60,6) |
395,1 (15,6) |
1475 (58,1) |
|
Faro de luz de cruce (vehículo con conducción a la izquierda)

-
A: Eje del vehículo
-
B: Línea vertical del centro de la bombilla del faro izquierdo
-
C: Línea vertical del centro de la bombilla del faro derecho
-
D: Línea horizontal del centro de la bombilla del faro
-
E: Suelo
-
F: Línea de corte
Funcionamiento
-
Encienda las luces de cruce sin el conductor en el interior.
-
La línea de corte debería proyectarse en la zona indicada en la línea de corte de la imagen.
-
Al orientar la luz de cruce, ajuste primero la orientación horizontal y luego la vertical.
-
Si se ha instalado un dispositivo de nivelación de los faros, ajuste el interruptor del mismo a las posiciones 0.
Faro de luz de cruce (vehículo con volante a la derecha)

-
A: Eje del vehículo
-
B: Línea vertical del centro de la bombilla del faro izquierdo
-
C: Línea vertical del centro de la bombilla del faro derecho
-
D: Línea horizontal del centro de la bombilla del faro
-
E: Suelo
-
F: Línea de corte
Funcionamiento
-
Encienda las luces de cruce sin el conductor en el interior.
-
La línea de corte debería proyectarse en la zona indicada en la línea de corte de la imagen.
-
Al orientar la luz de cruce, ajuste primero la orientación horizontal y luego la vertical.
-
Si se ha instalado un dispositivo de nivelación de los faros, ajuste el interruptor del mismo a las posiciones 0.
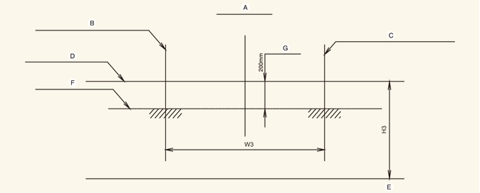
Luz antiniebla delantera

-
A: Eje del vehículo
-
B: Línea vertical del centro de la bombilla del faro antiniebla izquierdo
-
C: Línea vertical del centro de la bombilla del faro antiniebla derecho
-
D: Línea horizontal del centro de la bombilla del faro antiniebla
-
E: Suelo
-
F: Línea de corte
-
G: Límite superior
Funcionamiento
-
Encienda la luz antiniebla delantera sin el conductor en el interior.
-
La línea de corte debería proyectarse en el margen permitido (zona sombreada).