Arrastre de remolques - solo para Europa (para 1 tonelada únicamente)

Arrastre de remolques
Si no utiliza un equipo correcto y conduce de forma inapropiada, puede perder el control cuando arrastre un remolque. Por ejemplo, si el remolque es demasiado pesado, los frenos no funcionarán bien o incluso podrán fallar. Tanto los pasajeros como usted podrían sufrir lesiones muy graves o mortales. Arrastre un remolque solo si ha seguido los pasos de este apartado.

Límites de peso
Antes de remolcar, asegúrese de que el peso total del remolque, GCW (peso bruto combinado), GVW (peso bruto del vehículo), GAW (peso bruto del eje) y la carga de la lengüeta del remolque estén dentro de los límites.

Para Europa
-
No debe superar la carga máxima permitida técnicamente en los ejes traseros en más de un 15 % ni la masa de carga máxima permitida técnicamente del vehículo en más de un 10 % o 100 kg (220,4 lbs), el valor que sea inferior. En este caso, no deben superarse los 100 km/h (62,1 mph) en un vehículo de la categoría M1 o los 80 km/h (49,7 mph) en un vehículo de la categoría N1.
-
Al arrastrar un remolque, la carga adicional sobre el dispositivo de acoplamiento del remolque puede provocar que se superen los valores de carga máxima de los neumáticos traseros, pero en ningún caso debe ser superior al 15 %. En ese caso, no conduzca a más de 100 km/h y la presión de los neumáticos traseros debe ser al menos de 20 kPa (0,2 bar) superior a la presión recomendada de los neumáticos en condiciones normales (es decir, sin acoplar un remolque).

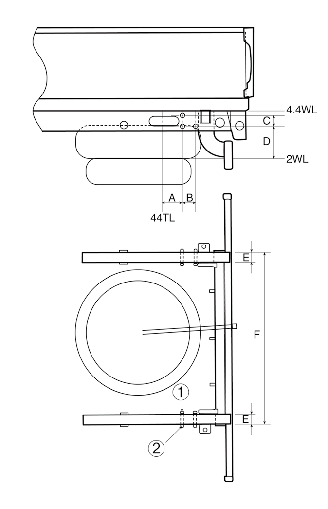
* 1: collar 2: 12 pernos 6-M
A: 165 (6,50)
B: 70 (2,76)
C: 55 (2,17)
D: 165 (6,50)
E: 50 (1,97)
F: 880 (34,65)
Su vehículo puede arrastrar un remolque. Para identificar la capacidad de arrastre de su vehículo, lea la información que se proporciona en "Peso del remolque" que aparece más adelante en esta sección.
Recuerde que llevar un remolque es totalmente diferente a conducir solo su vehículo. Al arrastrar un remolque cambia el manejo, la duración y el consumo de combustible. Para lograr un remolcado satisfactorio, es necesario tener el equipo adecuado para este fin y utilizarlo de forma correcta.
Esta sección contiene muchas reglas de seguridad para remolcar e importantes consejos basados en la experiencia. Muchos de ellos son importantes para su seguridad y la de los pasajeros. Lea con atención este apartado antes de realizar un remolque.
Las piezas que se encargan de tirar del peso como el motor, la transmisión, el conjunto de ruedas y neumáticos tienen que trabajar más duro debido a la carga añadida. El motor tiene que funcionar a velocidades mayores y con cargas más pesadas. Esta carga adicional provoca un calentamiento extra. El remolque también genera mayor resistencia al viento, lo que provoca que se incremente la fuerza de empuje.