Regulacja wiązki reflektorów i przednich świateł przeciwmgielnych (Europa)
Regulacja reflektorów


Obsługa
-
Napompować opony do osiągnięcia wskazanego ciśnienia i wyjąć z pojazdu wszelki zbędny ładunek – powinien w nim pozostać wyłącznie kierowca, zapasowe koło i narzędzia.
-
Pojazd należy zaparkować na płaskim podłożu.
-
Narysować na ekranie pionowe linie (przechodzące przez środki świateł głównych) i linię poziomą (przechodzącą przez środki świateł głównych).
-
Kiedy reflektory przednie i akumulator są w normalnym stanie, ustawić lampy tak, by pozycja największego świecenia znajdowała się na linii poziomej i liniach pionowych.
-
Aby skierować światła mijania w lewo lub w prawo, należy przekręcić śrubokręt (1) zgodnie z kierunkiem ruchu wskazówek zegara lub przeciwnie do kierunku ruchu wskazówek zegara. Aby skierować światła mijania w górę lub w dół, należy przekręcić śrubokręt (2) w prawo lub w lewo.
Regulacja ustawienia przednich świateł przeciwmgielnych (jeżeli jest w wyposażeniu)


Regulację ustawienia przednich świateł przeciwmgielnych przeprowadza się w taki sam sposób jak regulację ustawienia reflektorów przednich. Regulacji ustawienia przednich świateł przeciwmgielnych dokonuje się w normalnych warunkach działania lamp i akumulatora.
Obsługa
-
Aby ustawić przednie światła przeciwmgielne, przekręcić śrubokręt w prawo lub w lewo.
Punkt padania wiązki


* A: Ściana
|
Stan pojazdu |
Reflektor |
Przednie światło przeciwmgielne (LED) (jeśli jest w wyposażeniu) |
|||||
|---|---|---|---|---|---|---|---|
|
Wysokość od podłoża |
Odległość między reflektorami |
Wysokość od podłoża |
Odległość między reflektorami |
||||
|
Światła mijania/drogowe |
Światła mijania/drogowe |
||||||
|
H1 |
H2 |
W1 |
W2 |
H3 |
W3 |
||
|
Bez kierowcy [mm (cal)] |
Typ A |
745,9 (29,4) |
1 470,4 (57,9) |
373,7 (14,7) |
1 034 (40,7) |
||
|
Typ B |
768,6 (30,3) |
699,6 (27,5) |
1 479,8 (58,3) |
1 478,5 (58,2) |
|||
|
Z kierowcą [mm (cal)] |
Typ A |
735,9 (29,0) |
1 470,4 (57,9) |
363,7 (14,3) |
1 034 (40,7) |
||
|
Typ B |
758,6 (30,0) |
689,6 (27,1) |
1 479,8 (58,3) |
1 478,5 (58,2) |
|||
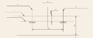
Światła mijania (pojazd z kierownicą po lewej stronie)

-
A: Oś pojazdu
-
B: Linia pionowa środka żarówki lewego reflektora głównego
-
C: Linia pionowa środka żarówki prawego reflektora głównego
-
D: Linia pozioma środka żarówki reflektora głównego
-
E: Podłoże
-
F: Linia odcięcia
Obsługa
-
Włączyć światła mijania w pojeździe bez kierowcy.
-
Linia odcięcia światła powinna pokrywać się z linią odcięcia pokazaną na rysunku.
-
Przy ustawianiu świateł mijania, regulacja pionowa powinna być wykonana po regulacji poziomej.
-
Jeżeli do wyposażenia należy urządzenie do poziomowania świateł głównych, ustawić przełącznik urządzenia w położenie 0.
Światła mijania (pojazd z kierownicą po prawej stronie)

-
A: Oś pojazdu
-
B: Linia pionowa środka żarówki lewego reflektora głównego
-
C: Linia pionowa środka żarówki prawego reflektora głównego
-
D: Linia pozioma środka żarówki reflektora głównego
-
E: Podłoże
-
F: Linia odcięcia
Obsługa
-
Włączyć światła mijania w pojeździe bez kierowcy.
-
Linia odcięcia światła powinna pokrywać się z linią odcięcia pokazaną na rysunku.
-
Przy ustawianiu świateł mijania, regulacja pionowa powinna być wykonana po regulacji poziomej.
-
Jeżeli do wyposażenia należy urządzenie do poziomowania świateł głównych, ustawić przełącznik urządzenia w położenie 0.
Przednie światła przeciwmgłowe (jeżeli jest w wyposażeniu)

-
A: Oś pojazdu
-
B: Linia pionowa środka żarówki lewej lampy przeciwmgielnej
-
C: Linia pionowa środka żarówki prawej lampy przeciwmgielnej
-
D: Linia pozioma środka żarówki lampy przeciwmgielnej
-
E: Podłoże
-
F: Linia odcięcia
-
G: Górna granica
Obsługa
-
Włączyć przednie światła przeciwmgielne bez kierowcy.
-
Linia odcięcia powinna znajdować się w dozwolonym obszarze (powierzchnia zacieniowana).