Trailer Towing - for europe only (For 1 Ton only)

Towing a trailer
If you don't use the correct equipment and drive properly, you can lose control when you pull a trailer. For example, if the trailer is too heavy, the brakes may not work well - or even at all. You and your passengers could be seriously or fatally injured. Pull a trailer only if you have followed all the steps in this section.

Weight limits
Before towing, make sure the total trailer weight, GCW (gross combination weight), GVW (gross vehicle weight), GAW (gross axle weight ) and trailer tongue load are all within the limits.

For Europe
-
The technically permissible maximum load on the rear axle(s) may be exceeded by not more than 15 % and the technically permissible maximum laden mass of the vehicle may be exceeded by not more than 10 % or 100 kg (220.4 lbs), whichever value is lower. In this case, do not exceed 100 km/h (62.1 mph) for vehicle of category M1 or 80 km/h (49.7 mph) for vehicle of category N1.
-
When towing a trailer, the additional load imposed at the trailer coupling device may cause the rear tire maximum load ratings to be exceeded, but not by more than 15%. In such a case, do not exceed 100 km/h, and the rear tire pressure should be at least 20 kPa(0.2 bar) above the tire pressure(s) as recommended for normal use (i.e. without a trailer attached).

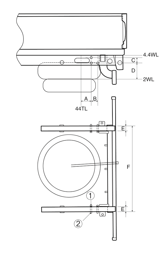
* 1:Collar 2:6-M 12 bolt
A : 165 (6.50)
B : 70 (2.76)
C : 55 (2.17)
D : 165 (6.50)
E : 50 (1.97)
F : 880 (34.65)
Your vehicle can tow a trailer. To identify what the vehicle trailering capacity is for your vehicle, you should read the information in “Weight of the Trailer” that appears later in this section.
Remember that trailering is different than just driving your vehicle by itself. Trailering means changes in handling, durability, and fuel economy. Successful, safe trailering requires correct equipment, and it has to be used properly.
This section contains many time-tested, important trailering tips and safety rules. Many of these are important for your safety and that of your passengers. Please read this section carefully before you pull a trailer.
Load-pulling components such as the engine, transmission, wheel assemblies, and tires are forced to work harder against the load of the added weight. The engine is required to operate at relatively higher speeds and under greater loads. This additional burden generates extra heat. The trailer also adds considerably to wind resistance, increasing the pulling requirements.